PART 4

VHDL_Overview












VHDL_Overview.moore_110_detector















VHDL_Overview.moore_110_detector.behavioral



ENTITY moore_110_detector IS PORT (x, clk : IN BIT; z : OUT BIT);
END moore_110_detector;
--
ARCHITECTURE behavioral OF moore_110_detector IS
TYPE state IS (reset, goto1, goto11, goto110);
SIGNAL current : state := reset;
BEGIN
PROCESS(clk)
BEGIN
IF clk = '1' THEN
CASE current IS
WHEN reset =>
IF x = '1' THEN current <= goto1;
ELSE current <= reset; END IF;
WHEN goto1 =>
IF x = '1' THEN current <= goto11;
ELSE current <= reset; END IF;
WHEN goto11 =>
IF x = '1' THEN current <= goto11;
ELSE current <= goto110; END IF;
WHEN goto110 =>
IF x = '1' THEN current <= goto1;
ELSE current <= reset; END IF;
END CASE;
END IF;
END PROCESS;
z <='1' WHEN current = goto110 ELSE '0';
END behavioral;


VHDL_Overview.moore_110_detector.top_down_design















VHDL_Overview.moore_110_...top_down_...overall_structure















VHDL_Overview.moore_110_...top_down...available_components



ENTITY dff IS
PORT(d : IN BIT; clk : IN BIT; q : OUT BIT);
END dff;
--
ARCHITECTURE dataflow OF dff IS
BEGIN
b:BLOCK (clk = '1' AND NOT clk'STABLE)
BEGIN
q <= GUARDED d AFTER 11 NS;
END BLOCK;
END dataflow;













VHDL_Overview.moore_110_...top_down...available_components



ENTITY logicfunction_f IS
PORT (i1, i2, i3 : IN BIT; o1 : OUT BIT);
END logicfunction_f;
--
ARCHITECTURE dataflow OF logicfunction_f IS
BEGIN
o1 <= ((NOT i1) AND i2) OR ((NOT i2) AND i1 AND i3) AFTER 8 NS;
END dataflow;

ENTITY logicfunction_g IS
PORT (i1, i2, i3 : IN BIT; o1 : OUT BIT);
END logicfunction_g;
--
ARCHITECTURE dataflow OF logicfunction_g IS
BEGIN
o1 <= (i2 AND (NOT i1) AND (NOT i3)) OR (i2 AND i1 AND i3) OR
((NOT i2) AND (NOT i1) AND i3) AFTER 8 NS;
END dataflow;

ENTITY logicfunction_z IS
PORT (i1, i2, i3 : IN BIT; o1 : OUT BIT);
END logicfunction_z;
--
ARCHITECTURE dataflow OF logicfunction_z IS
BEGIN
o1 <= (i2 AND (NOT i1) AND (NOT i3)) AFTER 8 NS;
END dataflow;













VHDL_Overview.moore_110...top_down_...first_level_wiring



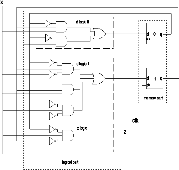
ENTITY logical_part IS
PORT (x, q0_in, q1_in : IN BIT; d0_out, d1_out, z_out : OUT BIT);
END logical_part;
--
ARCHITECTURE structural OF logical_part IS
COMPONENT c1 PORT (i1, i2, i3 : IN BIT ; o1 : OUT BIT);
END COMPONENT;
FOR d_logic0 : c1 USE ENTITY WORK.logicfunction_g (dataflow);
COMPONENT c2 PORT (i1, i2, i3 : IN BIT; o1 : OUT BIT);
END COMPONENT;
FOR d_logic1 : c2 USE ENTITY WORK.logicfunction_f (dataflow);
COMPONENT c3 PORT(i1,i2,i3 : IN BIT; o1 : OUT BIT);
END COMPONENT;
FOR z_logic :c3 USE ENTITY WORK.logicfunction_z(dataflow);
BEGIN
d_logic0: c1 PORT MAP(q0_in,q1_in,x,d0_out);
d_logic1: c2 PORT MAP(q0_in,q1_in,x,d1_out);
z_logic : c3 PORT MAP(q0_in,q1_in,x,z_out);
END structural;













VHDL_Overview.moore_110...top_down_...first_level_wiring



ENTITY memory_part IS
PORT(d0_in,d1_in,clk : IN BIT;q0_out,q1_out : OUT BIT);
END memory_part;
--
ARCHITECTURE structural OF memory_part IS
COMPONENT m
PORT(d : IN BIT; clk : IN BIT; q : OUT BIT);
END COMPONENT;
FOR dff0, dff1 : m USE ENTITY WORK.dff (dataflow);
BEGIN
dff0 : m PORT MAP (d0_in, clk, q0_out);
dff1 : m PORT MAP (d1_in, clk, q1_out);
END structural;













VHDL_Overview.moore_110...top_down_...wiring_complete_system



ARCHITECTURE structural OF moore_110_detector IS
COMPONENT
l PORT (x, q0_in, q1_in : IN BIT; d0_out, d1_out, z_out : OUT BIT);
END COMPONENT;
FOR lpart : l USE ENTITY WORK.logical_part (structural);
COMPONENT
m PORT (d0_in, d1_in, clk : IN BIT; q0_out, q1_out : OUT BIT);
END COMPONENT;
FOR mpart : m USE ENTITY WORK.memory_part(structural);
SIGNAL conn0, conn1, conn2, conn3 : BIT;
BEGIN
lpart : l PORT MAP (x, conn0, conn1, conn2, conn3, z);
mpart : m PORT MAP (conn2, conn3, clk, conn0, conn1);
END structural;













VHDL_Overview.moore_110_detector.testbench





ENTITY moore_test IS END moore_test;
--
ARCHITECTURE input_output OF moore_test IS
COMPONENT comp1 PORT (x, clk : IN BIT; z : OUT BIT);
END COMPONENT;
FOR c1 : comp1 USE ENTITY WORK.moore_110_detector (behavioral);
FOR c2 : comp1 USE ENTITY WORK.moore_110_detector (structural);
SIGNAL x_in, clock, z_beh, z_struct, compare_out : BIT;
BEGIN
x_in <= '0', '1' AFTER 500 NS,
'0' AFTER 900 NS, '1' AFTER 1100 NS,
'0' AFTER 1300 NS, '1' AFTER 1500 NS,
'0' AFTER 1900 NS, '1' AFTER 2100 NS,
'0' AFTER 2300 NS, '1' AFTER 2500 NS;
clock <= NOT clock AFTER 100 NS WHEN NOW < 3000 NS ELSE clock;
c1 : comp1 PORT MAP (x_in, clock, z_beh);
c2 : comp1 PORT MAP (x_in, clock, z_struct);
compare_out <= z_beh XOR z_struct;
END input_output;













VHDL_Overview.moore_110_detector.data_generation



PROCEDURE serial_data_generation
(SIGNAL target : OUT BIT; int : IN INTEGER; t : IN TIME) IS
VARIABLE i : INTEGER;
VARIABLE bit_val : BIT;
VARIABLE current : TIME :=100 NS;
BEGIN
i := int;
WHILE i >0 LOOP
IF (i MOD 2 = 1) THEN
bit_val := '1';
ELSE
bit_val := '0';
END IF;
target <= TRANSPORT bit_val AFTER current;
current := current + t;
i := i/2;
END LOOP;
END serial_data_generation;




ARCHITECTURE procedural OF moore_test IS
PROCEDURE serial_data_generation
(SIGNAL target : OUT BIT; int : IN INTEGER; t : IN TIME) IS
VARIABLE i : INTEGER;
VARIABLE bit_val : BIT;
VARIABLE current : TIME :=100 NS;
BEGIN
i := int;
WHILE i > 0 LOOP
IF (i MOD 2 = 1) THEN bit_val :='1';
ELSE bit_val := '0';
END IF;
target <= TRANSPORT bit_val AFTER current;
current:=current + t;
i := i / 2;
END LOOP;
END serial_data_generation;
COMPONENT comp PORT (x,clk:IN BIT;z:OUT BIT); END COMPONENT;
FOR c1 : comp USE ENTITY WORK.moore_110_detector(structural);
SIGNAL x_in, clock, z_struct : BIT;
BEGIN
serial_data_generation (x_in, 5548, 200 NS);
clock <= NOT clock AFTER 100 NS WHEN NOW < 3000 NS ELSE clock;
c1 : comp PORT MAP (x_in, clock, z_struct);
END procedural;













VHDL_Overview.moore_110_detector.testbench












VHDL_Overview.other_operators















VHDL_Overview.conclusions

1. Outline: Introduction, Organization, Outline

2. Design_Environments: Digital system design process, Hardware description languages, Hardware simulation, Hardware synthesis

3. VHDL_Background: VHDL initiation, Existing languages, VHDL requirements, The VHDL language, VHDL based design process, Levels of abstraction

4. VHDL_Overview: Behavioral description, Using process statements, Top-down design, Using available components, Wiring predefined components, Wiring from bottom to top, Generation of testbench data, Using procedures






to the top of the Document